Industrial Hydraulic Towing Winch 15000 lb
Get Latest Price| Payment Type: | L/C,T/T,D/P |
| Incoterm: | FOB,CFR,CIF |
| Transportation: | Ocean,Air |
| Port: | NINGBO,SHANGHAI |
| Payment Type: | L/C,T/T,D/P |
| Incoterm: | FOB,CFR,CIF |
| Transportation: | Ocean,Air |
| Port: | NINGBO,SHANGHAI |
Model No.: HWE15000
Brand: OEM ODER ACCEPTABLE
Origin: CHINA
Power Source: Hydraulic
Application: Auto
| Selling Units | : | Bag/Bags |
| Package Type | : | EXPORT CARTON |
The file is encrypted. Please fill in the following information to continue accessing it
Industrail Hydraulic Winch 15000 lb ITEM NO. HWE15000
Perfect for Most Tow,Utility and trailer Applications
We specially introduced our new Series HEW15000 Industrial Hydraulic Winches,which has 15,000lb pulling capacity. This winch also features a large displacement high performance motor,and that Pawl braking system placed within the gear reducer ensures the whole reliability and provide convenient maintenance in engineering application.
Features:
1.) Meet European EN stardard
2.) Planetary gaear, with efficient transmission
3.) Overhead type clutch operation, simple and reliable
4.) Drum will not become hot after long time use
5.) Special design for Industry use
HWE15000
| SPECIFICATION | |
| Rated line pull | 15000 lbs (6804kgs) |
| Motor: permanent magnet | 160ml/r |
| Oil Flow | 5~60L/min |
| Pressure | 17.5Mpa |
| Gear reduction ratio | 17.2:1 |
| Cable (Dia.× L) | Ø15/32″×86.9 ‘ (Ø12mm×26.5m) |
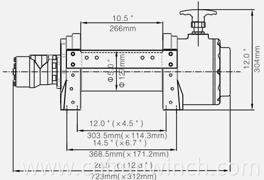
| Drum size (Dia.× L) | Ø5.0 “×10.5” (Ø127mm×266mm) |
| Mounting bolt pattern | 12.0 “×4.5 ” (303.5mm×114.3mm) 14.5 “×6.7” (368.5mm×171.2mm) 8-M12 |
| Line pull lbs (kgs) | Pressure Mpa(Psi) | Flow G/min (L/min) | Line speed ft/min(m/min) |
| 0 | 2.0(290) | 1.3(5) | 1.4(0.7) |
| 4000(1814) | 4.6(667) | 2.6(10) | 4.3(1.3) |
| 6000(2722) | 6.9(1000) | 5.3(20) | 8.9(2.7) |
| 8000(3629) | 9.2(1334) | 7.9 (30) | 13.1(4.0) |
| 10000(4536) | 11.5(1667) | 10.6(40) | 17.4(5.3) |
| 12000(5443) | 14.0(2030) | 13.2(50) | 22.0(6.7) |
| 12000(5443) | 14.0(2030) | 15.6 (60) | 26.2(8.0) |
| Layer of cable | Rated line pull lbs(kgs) | Total rope on drum ft (m) |
| 1 | 15000(6804) | 29.5(9.0) |
| 2 | 12791(5807) | 65.6(20.0) |
| 3 | 11150 (5062) | 86.9(26.5) |
| ITEM | HWE15000 | ||
| Overall dimensions | 28.5″×12.3″×12.0″ | ||
| (L×W×H) | 723mm×312mm ×304mm | ||
| Net weight (Ibs) | 227 | ||
| (kgs) | 103 |


Privacy statement: Your privacy is very important to Us. Our company promises not to disclose your personal information to any external company with out your explicit permission.
Fill in more information so that we can get in touch with you faster
Privacy statement: Your privacy is very important to Us. Our company promises not to disclose your personal information to any external company with out your explicit permission.