Mult-disc Hydraulic Wrecker Winch 20000lbs
Get Latest Price| Payment Type: | L/C,T/T,D/P |
| Incoterm: | FOB,CFR,CIF |
| Transportation: | Ocean,Air |
| Port: | NINGBO,SHANGHAI |
| Payment Type: | L/C,T/T,D/P |
| Incoterm: | FOB,CFR,CIF |
| Transportation: | Ocean,Air |
| Port: | NINGBO,SHANGHAI |
Model No.: HWP20000YD
Brand: OEM ORDER ACCEPTABLE
Origin: CHINA
Power Source: Hydraulic
Application: Atv/Utv, Auto
| Package Type | : | EXPORT CARTON OR WOOD CASE |
The file is encrypted. Please fill in the following information to continue accessing it
20000 lbs Hydraulic Winch Item No.: HWP20000YD
This winch features a 20,000lb pulling capacity with manual clutch. It is equipped with automatic screw multi-disc brake designed to hold the full-rated load. The high-strength hardened two-stage planetary gear reducer provides optional dual speeds and reliable performance. It is equipped with hook, wire rope and SWR tensioner as standard accessories.
Specification:
1. Rated line pull: 20000 lbs (9072kg)
2. Motor displacement: 100ml/r
3. Oil flow: 15-75L/min
4. Working Pressure: 17.5MPa
5. Gear reduction ratio: High speed 6:1; Low speed 39:1
6. Cable (Dia × L): 9/16″ × 157′ (14mm × 48m)
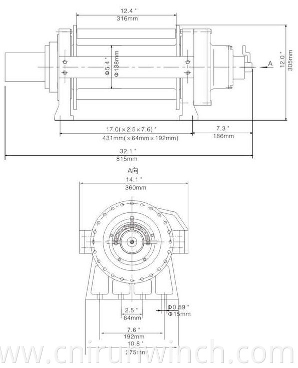
7. Drum Size (Dia × L): 5.4″ × 12.4″ (138mm × 316mm)
8. Mounting bolt pattern: 17.0″×2.5″×7.6″ (431mm×64mm×192mm) 8-M14
Other models with different clutch styles available:
Item No. HWP20000Y1D (Air clutch, single Speed)
Item No. HWP20000Y2D (Air and manual mixed clutch, single speed)
Item No. HWP20000Y3D (Air clutch with air controlled two speed)
Features:
1. Full steel reducer gear
2. Runva patent two-stage planetary gear reducer
3. Two speed and clutch integrated in one handgrip
4. Patent clutch and speed shift structure
5. Automatic engagement for clutch and two-speed gear actions
6. Automatic screw multi-disc brake
7. SWR tensioner supplied as standard

Overall Dimensions: 32.1″ × 14.1″ × 12.0″
(L × W × H) 815mm × 360mm × 305mm
Net Weight: 163 KGS

Privacy statement: Your privacy is very important to Us. Our company promises not to disclose your personal information to any external company with out your explicit permission.
Fill in more information so that we can get in touch with you faster
Privacy statement: Your privacy is very important to Us. Our company promises not to disclose your personal information to any external company with out your explicit permission.